制造业知识分享、信息发布平台-兴盛制造网 Email: 206027815@qq.com

德国HAWE分流阀TQ43-A4产品尺寸规格及特点介绍

分类: 其他 浏览量: 留言数: 60643

德国HAWE分流阀TQ43-A4产品尺寸规格及特点介绍

徳国哈威HAWE HYDRAULIK.哈威液压有限公司成立于1949年,60多年来一直致力于高压液压元件及系统的开发与生产。公司现有员工2400余名,在德国国内设有多个销售代表处,并在全球有30多家销售代理,13家全资子公司。HAWE产品的特点在于阀体全钢结构,耐高压;结构紧凑,体积小巧,无泄漏,使用寿命长,广泛应用于工程机械、机床、船舶、冶金、液压工具等行业。德

国工程师Karl Heilmeier和一名商人Wilhelm Weinlein,两人共同建立了Heilmeier与 Weinlein液压有限合资公司。成立的初衷是希望为钢材料的每一个应用提供量身定制的液压技术解决方案。创始人Heilmeier凭借先进的创新思想,以及优良的产品品质让原本在德国一家不起眼的小型作坊,通过60多年的高速发展,让其成为了一家的液压设量的主导型厂家之一。如今,HAWE公司拥有将近2400多名员工致力于为能源,基础设施,高效生产和营养/自然市场的客户提供创新的解决方案。他们在海外市场取得了极大的成功,海外市场的销售比例占到HAWE液压的50%以上。

德国HAWE主要产品:德国HAWE液压泵、哈威HAWE换向阀、液压泵、液压阀、紧凑型浸油式泵站、标准泵、标准泵站双级泵、双级泵站、气动操纵液压泵、手动泵、换向阀、截止式换向阀、压力阀、流量阀、单向阀、比例放大器、压力继电器、压力传感器、蕃能器、油缸。


德国HAWE分流阀TQ43-A4产品尺寸规格及特点介绍

image.png

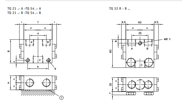
分流阀,也称为流量分配器,属于流量阀类。它平均地或以固定分配比例来划分或汇总总体积流量。此时与负载压力无关。TQ型分流阀通过其简易的构造为简单的分流任务提供了低成本解决方案,例如,当需要同时且互不干扰地移动两个由同一只泵进行供给且任意加载的液压负载器时。

其应用领域在行走液压机械和工业液压方面。

image.png

特征及优点:

良好的器件精度

应用领域:

转向系统

同步运转缸


上海维特锐实业发展有限公司,发票随货,服务优良,信誉保证。本公司德国设有分公司,欢迎新老客户有欧美品牌询价都可以随时联系我!

项目支持:

1,德国 KRACHT 克拉克(流量计、指示器可提供现场选型配套技术支持,齿轮泵, 阀,备件采购价格有优势)

2,德国 VSE 威仕 (流量计提供项目选型配套,技术支持,维修)

3,德国 SIEMENS 西门子:料位计,变送器,液位计,流量计(提供项目选型配 套,技术支持,安装调试)

4,另外还有很多品牌也很有优势:

Beinlich百利泵(可提供选型)

RICKMEIER瑞克梅尔泵(可提供选型)

MEISTER流量计

KOBOLD流量计、温度开关

ATOS液压电磁阀、泵、压力继电器

EATON伊顿/VICKERS威格士泵、阀

REXRTOH力士乐液压阀、叶片泵

HYDAC贺德克过滤器、滤芯、传感器

PARKER派克阀、接头、齿轮泵

本文地址: https://www.xsyiq.com/60643.html
网站内容如侵犯了您的权益,请联系我们删除。

标签: 上一篇: 下一篇: